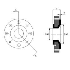
Reducing Flange
Kunststof T-stuk voor gelijkwaardige buisverbindingen bij MB Plastics.
Robuust, corrosiebestendig en ideaal voor industriële leidingsystemen.
Specifieke toepassingen


Behuizing
Gefabriceerd koolstofstaal
Voering
PFA
Code voor kolom X
A = boutgaten op/uit het midden
B = boutgaten die de middenlijnen overlappen
C = doorvoergaten op de grootste diameter
| A | B | C | X | T* | Approx. Weight | ||
|---|---|---|---|---|---|---|---|
| Inch | DN | inch | DN | mm | mm | Mm | ~ kg |
| 3/4” | 20 | 1/2” | 15 | 35 | A | 4.0 | 1.5 |
| 1” | 25 | 1/2” | 15 | 35 | A | 4.0 | 1.5 |
| 1” | 25 | 3/4” | 20 | 35 | A | 4.0 | 1.5 |
| 1 1/4” | 32 | 1/2” | 15 | 35 | A | 4.0 | 1.5 |
| 1 1/4” | 32 | 3/4” | 20 | 35 | A | 4.0 | 1.5 |
| 1 1/4” | 32 | 1” | 25 | 35 | A | 4.0 | 1.5 |
| 1 1/2” | 40 | 1/2” | 15 | 35 | A | 4.0 | 2.1 |
| 1 1/2” | 40 | 3/4” | 20 | 35 | A | 4.0 | 2.1 |
| 1 1/2” | 40 | 1” | 25 | 35 | A | 4.0 | 2.1 |
| 1 1/2” | 40 | 1 1/4” | 32 | 35 | A | 4.0 | 2.1 |
| 2” | 50 | 1/2” | 15 | 35 | A | 4.0 | 3.0 |
| 2” | 50 | 3/4” | 20 | 35 | A | 4.0 | 3.0 |
| 2” | 50 | 1” | 25 | 35 | A | 4.0 | 3.0 |
| 2” | 50 | 1 1/4” | 32 | 35 | A | 4.0 | 3.0 |
| 2” | 50 | 1 1/2” | 40 | 35 | A | 4.0 | 3.0 |
| 2 1/2” | 65 | 1/2” | 15 | 35 | A | 4.0 | 4.5 |
| 2 1/2” | 65 | 3/4” | 20 | 35 | A | 4.0 | 4.5 |
| 2 1/2” | 65 | 1” | 25 | 35 | A | 4.0 | 4.5 |
| 2 1/2” | 65 | 1 1/4” | 32 | 35 | A | 4.0 | 4.5 |
| 2 1/2” | 65 | 1 1/2” | 40 | 35 | A | 4.0 | 4.5 |
| 2 1/2” | 65 | 2” | 50 | 35 | A | 4.0 | 4.5 |
| 3” | 80 | 1” | 25 | 35 | A | 4.0 | 6.1 |
| 3” | 80 | 1 1/4” | 32 | 35 | A | 4.0 | 6.1 |
| 3” | 80 | 1 1/2” | 40 | 35 | A | 4.0 | 6.1 |
| 3” | 80 | 2” | 50 | 35 | A | 4.0 | 6.1 |
| 3” | 80 | 2 1/2” | 65 | 35 | A | 4.0 | 6.1 |
| 4” | 100 | 1 1/2” | 40 | 45 | B/C | 4.0 | 8.8 |
| 4” | 100 | 1 1/4” | 32 | 45 | B/C | 4.0 | 8.8 |
| 4” | 100 | 1 1/2” | 40 | 45 | B/C | 4.0 | 8.8 |
| 4” | 100 | 2” | 50 | 45 | B/C | 4.0 | 8.8 |
| 4” | 100 | 2 1/2” | 65 | 45 | A | 4.0 | 8.8 |
| 4” | 100 | 3” | 80 | 45 | A | 4.0 | 8.8 |
| 5” | 125 | 1 1/2” | 25 | 45 | B/C | 4.0 | 11.0 |
| 5” | 125 | 1 1/4” | 32 | 45 | B/C | 4.0 | 11.0 |
| 5” | 125 | 1 1/2” | 40 | 45 | B/C | 4.0 | 11.0 |
| 5” | 125 | 2” | 50 | 45 | B/C | 4.0 | 11.0 |
| 5” | 125 | 2 1/2” | 65 | 45 | B/C | 4.0 | 11.0 |
| 5” | 125 | 3” | 80 | 45 | B/C | 4.0 | 11.0 |
| 5” | 125 | 4” | 100 | 45 | A | 4.0 | 11.0 |
| 6” | 150 | 1 1/2” | 25 | 45 | B/C | 4.0 | 13.3 |
| 6” | 150 | 1 1/4” | 32 | 45 | B/C | 4.0 | 13.3 |
| 6” | 150 | 1 1/2” | 40 | 45 | B/C | 4.0 | 13.3 |
| 6” | 150 | 2” | 50 | 45 | B/C | 4.0 | 13.3 |
| 6” | 150 | 2 1/2” | 65 | 45 | B/C | 4.0 | 13.3 |
| 6” | 150 | 3” | 80 | 45 | B/C | 4.0 | 13.3 |
| 6” | 150 | 4” | 100 | 45 | B/C | 4.0 | 13.3 |
| 6” | 150 | 5” | 125 | 45 | B | 4.0 | 13.3 |
| 8” | 200 | 1 1/2” | 25 | 45 | B | 4.0 | 25 |
| 8” | 200 | 1 1/4” | 32 | 45 | B/C | 4.0 | 25 |
| 8” | 200 | 1 1/2” | 40 | 45 | B/C | 4.0 | 25 |
| 8” | 200 | 2” | 50 | 45 | B/C | 4.0 | 25 |
| 8” | 200 | 2 1/2” | 65 | 45 | B/C | 4.0 | 25 |
| 8” | 200 | 3” | 80 | 45 | B/C | 4.0 | 25 |
| 8” | 200 | 4” | 100 | 45 | B/C | 4.0 | 25 |
| 8” | 200 | 6” | 150 | 45 | B | 4.0 | 25 |
| 10” | 250 | 1 1/2” | 25 | 45 | B | 4.0 | 36 |
| 10” | 250 | 1 1/4” | 32 | 45 | B/C | 4.0 | 36 |
| 10” | 250 | 1 1/2” | 40 | 45 | B/C | 4.0 | 36 |
| 10” | 250 | 2” | 50 | 45 | B/C | 4.0 | 36 |
| 10” | 250 | 2 1/2” | 65 | 45 | B/C | 4.0 | 36 |
| 10” | 250 | 3” | 80 | 45 | B/C | 4.0 | 36 |
| 10” | 250 | 4” | 100 | 45 | B/C | 4.0 | 36 |
| 10” | 250 | 5” | 125 | 45 | B/C | 4.0 | 36 |
| 10” | 250 | 6” | 150 | 45 | B/C | 4.0 | 36 |
| 10” | 250 | 8” | 200 | 45 | B | 4.0 | 36 |
| 12” | 300 | 1 1/2” | 25 | 45 | B/C | 4.0 | 50 |
| 12” | 300 | 1 1/4” | 32 | 45 | B/C | 4.0 | 50 |
| 12” | 300 | 1 1/2” | 40 | 45 | B/C | 4.0 | 50 |
| 12” | 300 | 2” | 50 | 45 | B/C | 4.0 | 50 |
| 12” | 300 | 2 1/2” | 65 | 45 | B/C | 4.0 | 50 |
| 12” | 300 | 3” | 80 | 45 | B/C | 4.0 | 50 |
| 12” | 300 | 4” | 100 | 45 | B/C | 4.0 | 50 |
| 12” | 300 | 5” | 125 | 45 | B/C | 4.0 | 50 |
| 12” | 300 | 6” | 150 | 45 | B/C | 4.0 | 50 |
| 12” | 300 | 8” | 200 | 45 | B/C | 4.0 | 50 |
| 12” | 300 | 10” | 250 | 45 | B | 4.0 | 50 |
| A | B | C | X | T* | Approx. Weight |
|---|---|---|---|---|---|
| DN | DN | mm | Code | mm | ~ kg |
| 20 | 15 | 35 | A | 4.0 | 1.5 |
| 25 | 15 | 35 | A | 4.0 | 1.5 |
| 25 | 20 | 35 | A | 4.0 | 1.5 |
| 32 | 15 | 35 | A | 4.0 | 1.5 |
| 32 | 20 | 35 | A | 4.0 | 1.5 |
| 32 | 25 | 35 | A | 4.0 | 1.5 |
| 40 | 15 | 35 | A | 4.0 | 2.1 |
| 40 | 20 | 35 | A | 4.0 | 2.1 |
| 40 | 25 | 35 | A | 4.0 | 2.1 |
| 40 | 32 | 35 | A | 4.0 | 2.1 |
| 50 | 15 | 35 | A | 4.0 | 3.0 |
| 50 | 20 | 35 | A | 4.0 | 3.0 |
| 50 | 25 | 35 | A | 4.0 | 3.0 |
| 50 | 32 | 35 | A | 4.0 | 3.0 |
| 50 | 40 | 35 | A | 4.0 | 3.0 |
| 65 | 15 | 35 | A | 4.0 | 4.5 |
| 65 | 20 | 35 | A | 4.0 | 4.5 |
| 65 | 25 | 35 | A | 4.0 | 4.5 |
| 65 | 32 | 35 | A | 4.0 | 4.5 |
| 65 | 40 | 35 | A | 4.0 | 4.5 |
| 65 | 50 | 35 | A | 4.0 | 4.5 |
| 80 | 15 | 35 | A | 4.0 | 6.1 |
| 80 | 20 | 35 | A | 4.0 | 6.1 |
| 80 | 25 | 35 | A | 4.0 | 6.1 |
| 80 | 32 | 35 | A | 4.0 | 6.1 |
| 80 | 40 | 35 | A | 4.0 | 6.1 |
| 80 | 50 | 35 | A | 4.0 | 6.1 |
| 80 | 65 | 35 | A | 4.0 | 6.1 |
| 100 | 25 | 45 | B/C | 4.0 | 8.8 |
| 100 | 32 | 45 | B/C | 4.0 | 8.8 |
| 100 | 40 | 45 | B/C | 4.0 | 8.8 |
| 100 | 50 | 45 | B/C | 4.0 | 8.8 |
| 100 | 65 | 45 | A | 4.5 | 8.8 |
| 100 | 80 | 45 | A | 4.5 | 8.8 |
| 125 | 25 | 45 | B/C | 6.0 | 11.0 |
| 125 | 32 | 45 | B/C | 6.0 | 11.0 |
| 125 | 40 | 45 | B/C | 6.0 | 11.0 |
| 125 | 50 | 45 | B/C | 6.0 | 11.0 |
| 125 | 65 | 45 | B/C | 6.0 | 11.0 |
| 125 | 80 | 45 | B/C | 6.0 | 11.0 |
| 125 | 100 | 45 | A | 6.0 | 11.0 |
| 150 | 25 | 45 | B/C | 6.0 | 13.3 |
| 150 | 32 | 45 | B/C | 6.0 | 13.3 |
| 150 | 40 | 45 | B/C | 6.0 | 13.3 |
| 150 | 50 | 45 | B/C | 6.0 | 13.3 |
| 150 | 65 | 45 | B/C | 6.0 | 13.3 |
| 150 | 80 | 45 | B/C | 6.0 | 13.3 |
| 150 | 100 | 45 | B/C | 6.0 | 13.3 |
| 150 | 125 | 45 | B | 7.0 | 13.3 |
| 200 | 25 | 45 | B | 7.0 | 25 |
| 200 | 32 | 45 | B/C | 7.0 | 25 |
| 200 | 40 | 45 | B/C | 7.0 | 25 |
| 200 | 50 | 45 | B/C | 7.0 | 25 |
| 200 | 65 | 45 | B/C | 7.0 | 25 |
| 200 | 80 | 45 | B/C | 7.0 | 25 |
| 200 | 100 | 45 | B/C | 7.0 | 25 |
| 200 | 150 | 45 | B | 7.5 | 25 |
| 250 | 25 | 45 | B | 7.5 | 36 |
| 250 | 32 | 45 | B/C | 7.5 | 36 |
| 250 | 40 | 45 | B/C | 7.5 | 36 |
| 250 | 50 | 45 | B/C | 7.5 | 36 |
| 250 | 65 | 45 | B/C | 7.5 | 36 |
| 250 | 80 | 45 | B/C | 7.5 | 36 |
| 250 | 100 | 45 | B/C | 7.5 | 36 |
| 250 | 125 | 45 | B/C | 7.5 | 36 |
| 250 | 150 | 45 | B/C | 7.5 | 36 |
| 250 | 200 | 45 | B | 7.5 | 36 |
| 300 | 25 | 45 | B/C | 7.5 | 50 |
| 300 | 32 | 45 | B/C | 7.5 | 50 |
| 300 | 40 | 45 | B/C | 7.5 | 50 |
| 300 | 50 | 45 | B/C | 7.5 | 50 |
| 300 | 65 | 45 | B/C | 7.5 | 50 |
| 300 | 80 | 45 | B/C | 7.5 | 50 |
| 300 | 100 | 45 | B/C | 7.5 | 50 |
| 300 | 125 | 45 | B/C | 7.5 | 50 |
| 300 | 150 | 45 | B/C | 7.5 | 50 |
| 300 | 200 | 45 | B/C | 7.5 | 50 |
| 300 | 250 | 45 | B | 7.5 | 50 |

